부하용량의 추정
1. 일반장소의 저압전등 및 가정용 전기기계기구 등의 시설에 대한 부하의 상정은 KEC를 기준으로 한다. 설계기준에는 내선규정이라고 명기하였지만, 현행 KEC를 기준하여야 한다.
2. 조명 및 전동기 등의 사용설비 용량은 전기공급약관에서 정하고 있는 해당 입력환산률을 이용해 부하용량 산정이 가능하다.
3. 전동기 부하의 산정은 개개의 명판에 표시된 정격전류(전부하전류)를 기준으로 하나, 승강기,냉난방장치 냉동기 등 특수용도의 전동기는 제외해야 한다. 일반용전동기일 경우, 그 정격출력에 따른 규약전류(설계전류 기준)을 정격전류로 적용할 수 있다.
4. 승강기, 에어컨 냉동기 등의 특수용도 전동기부하의 산정은 그 전동기 또는 기기의 명판에 표기된 정격전류 외에 특성 및 사용방법을 고려하여야 한다.
5. 고효율인증기자재의 사용 등으로 부하종류별 부하밀도를 에너지절약형으로 조정할 수 있다.
6. 지식경제부 고시 제 2009-29호에서 정하는 용도별 건축물의 종류에 따른 단위 전력부하를 참조한다.

출처 : 건축전기설비 설계기준(2016),국토교통부
이중 주택,아파트의 경우는 단위면적당 40VA로 KEC에서 개정되었다. 또한, 각종 부하밀도는 아래를 참조한다.
출처 : 건축전기설비 설계기준(2016),국토교통부
일반적으로 6000제곱미터를 초과하는 사무실은 아래 표를 참조할 수 있겠다.

출처 : 건축전기설비 설계기준(2016),국토교통부
수용률 및 부등률

출처 : 건축전기설비 설계기준(2016),국토교통부
건축물 수용률은 참조하여 적용. 부등률은 아래를 참조한다.

출처 : 건축전기설비 설계기준(2016),국토교통부
예시(30,000㎡ 업무용 건축물 수전설비구성)
1.부하설비용량 추정
부하설비용량 추정시 전등/전열, 일반동력, 냉방동력으로 구분하자. 건축전기설비 설계규정(2016)의 부록에 의해
|
구분
|
부하밀도(VA/㎡)
|
수용률(%)
|
연면적(㎡)
|
여유율
|
용량합계(kVA)
|
|
전등/전열
|
37
|
70
|
30,000
|
1.1
|
855
|
|
일반동력
|
59
|
55
|
30,000
|
1.1
|
1,071
|
|
냉방동력
|
37
|
75
|
30,000
|
1.1
|
916
|
2. 변압기용량선정
|
변압기
|
TR1(전등/전열)
|
TR2(일반동력)
|
TR3(냉방동력)
|
TR4(예비)
|
|
부하용량
|
855
|
1,071
|
916
|
-
|
|
선정
|
3φ 1,000
|
3φ 1,250
|
3φ 1,000
|
3φ 1,000
|
이렇게 구성하면 된다.
3. 발전기용량산정(간이추정식)
(총부하설비(kVA)×역률)×0.3(IB인증조건:20%이상)
(1000+1250+1000)×0.8×0.3=780kW⇒800kW 선정
4. 수전방식
(1) 전력인입 : 3Φ 4W 22.9kV FR-CNCO-W 2회선(예비), 지중인입
(2) 변압방식 : 3Φ 22.9kV/380-220V
(3) 모선방식 : 섹션구분 단일모선방식
5. 계통 고장계산 및 기기정격 선정
5-1. 단락용량 검토
(1) 수전점 정격전류
In = 3,250/(√3×22.9)×1.25 = 102.42A⇒125A
(2) TR#1,3 1차전류
In = 1,000/(√3×22.9)×1.25 = 31.5A⇒50A
(3) TR#2 1차전류
In = 1,250/(√3×22.9)×1.25 = 39.39A⇒50A
(4) TR#1,3 2차전류
In = 1,000/(√3×0.38)×1.25 = 1,898A⇒2,000A
(5) TR#2 2차전류
In = 1,250/(√3×0.38)×1.25 = 2,374A⇒2,500A
(6) 단락용량추정
① 154kV 변전소 TR용량 60MVA, 14.5% 가정, 100MVA기준으로는 24.17%, 대략 24%로 가정.
② TR기준 임피던스 환산 600%
③ 임피던스 맵

④ A점 사고시 고장전류
ISA = 100/24×100/(√3×22.9) = 10.5kA→12.5kA 선정
⑤ B점 사고시 고장전류
ISB = 100/624×100/(√3×0.38) = 24.35kA→25kA 선정
⑥ A점 차단용량
Ps = √3×22.9×1.2/1.1×10.5 = 454→520MVA 선정
5-2. MOF 과전류강도
(1) 최대 비대칭 단락젼류 실효치(비대칭계수 α=1.43, PF 용단특성 0.02초 가정)
Imax = Is×α = 10.5×1.43=15kA
(2) 단시간 과전류
Ipf = 15×√0.02 = 2121A
(3) 과전류강도 = 단시간과전류/정격1차전류 이므로 21.21 ->40배수 선정
5-3. OCR정정(50/51)
(1) 순시 Tap
Ipf×CT비 = 2121×5/100 = 106A→110A 세팅
(2) 한시 Tap
In×CT비 = 102.42×5/100 = 5.12A→10A 세팅
5-4. 전력용콘덴서(TR용량의 4%)
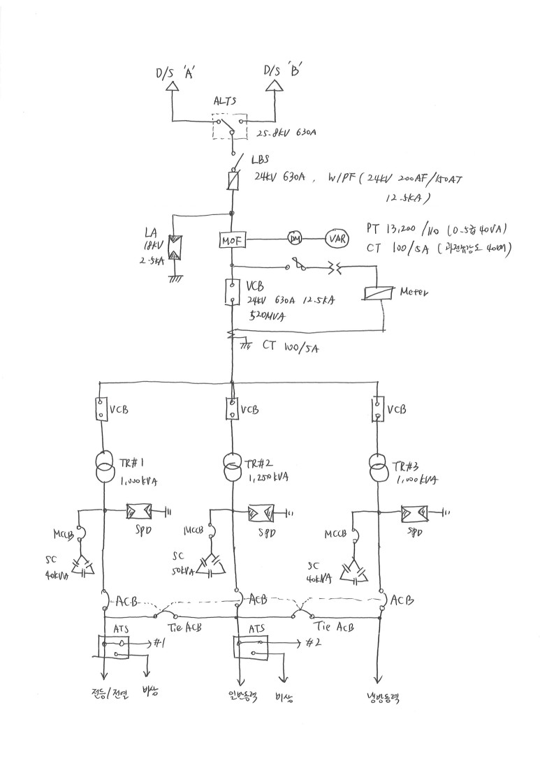
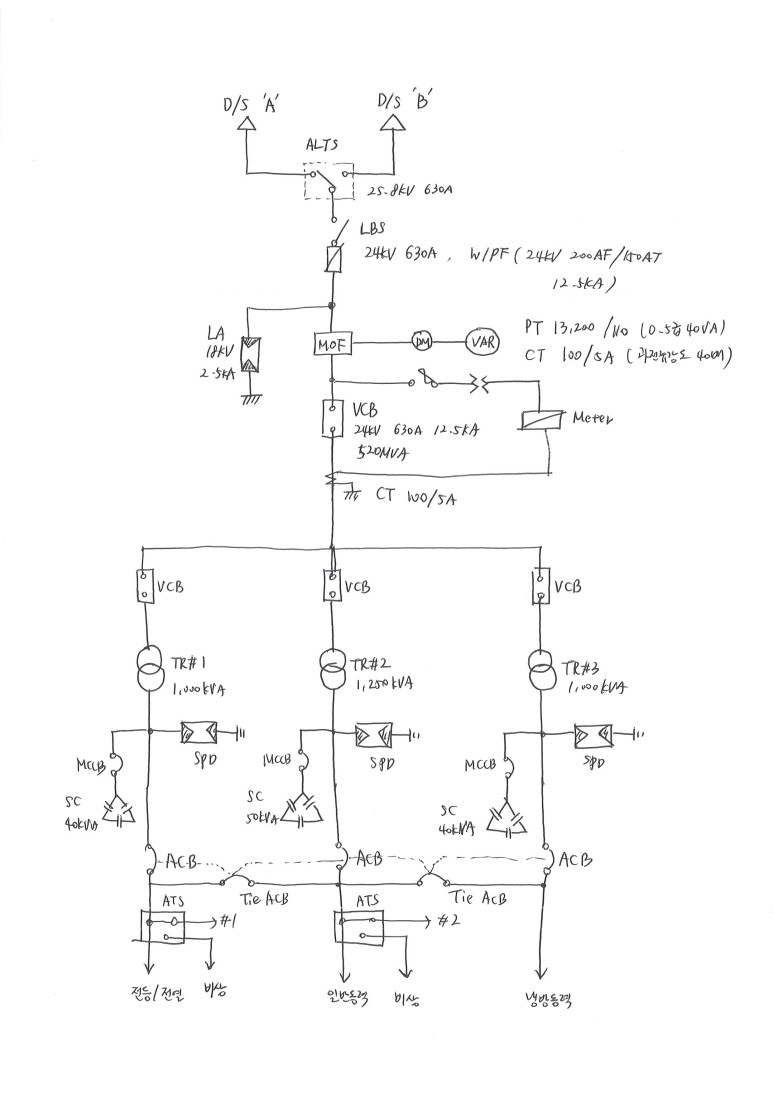
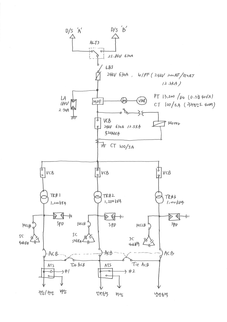
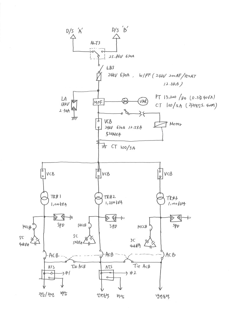
수변전설비 단선결선도 작성

22.9kV 수변전설비 단선결선도(비상발전기는 생략)
CB 1차측에 PT를, CB 2차측에 CT를 시설하는 경우로 설계하였다. 위에부터 살펴보면 ALTS의 경우 주,예비선로 자동절환으로 예비선 수전방식에 사용한다. LBS 부하개폐기는 한류퓨즈 내장형으로 한류퓨즈가 용단시 3상 동시개로되어 단락보호 및 결상방지 역할을 한다. 피뢰기는 뇌서지 방전을 통해 뇌서지 침입시 수전설비를 보호하는 역할을 한다. 전력퓨즈의 경우는 단락보호용이며, MOF는 일반적으로 옥내형은 몰드타입이다. VCB는 TR 1차측과 주인입점에 시설되어 회로를 보호하며 SA서지흡수기는 개폐서지와 같은 이상전압으로부터 회로를 보호하는 역할을 한다. 이는 VCB2차측에 설치되어 BIL이 낮은 변압기를 보호하는 역할을 한다. 일반적으로 VCB+MOLD TR에서 사용된다. 변압기는 옥내형은 요즘은 거진 몰드변압기를 사용하며 전력용콘덴서는 역률보상용으로 변압기용량 500~2000kVA 이하의 경우 4% 선정한다.
'자료실' 카테고리의 다른 글
| 2024년도 엔지니어링업체임금실태조사결과 공표 (0) | 2025.06.04 |
|---|---|
| 전력계통 손실 저감에 관한 대책 - [진상콘덴서 설치의 효과, 역률개선, 에너지 절약, 고조파 제거, 설비여유도 증가] (2) | 2024.02.19 |
| KESC(전기설비 세부 검사ㆍ점검 기준) 제ㆍ개정 사항 공고 (0) | 2024.02.18 |
| KESC(전기설비에 대한 세부 검사·점검기준) 민원사례집 (0) | 2024.02.15 |
| 지방자치단체 입찰시 낙찰자 결정기준 (0) | 2024.02.13 |